Тип / Ед.измерения - 5,5кВт /1000 об
Напряжение / Частота- 50 Гц / 380 В
Фазность ~ 3
Потребляемая мощность - 5,5 кВт
Частота вращения - 1000 мин +1
Ток - 12 А
Производительность - 6000-11500 м3/час
Полное давление - 940-1120 Па
Макс.температура перемещения воздуха - 80 С
Класс защиты двигателя - IР 54
Тип термозащиты - Встр.тд
Вес - 153 кг
Вставки гибкие (500 мм)
Вставки гибкие (350х350 мм)
Виброизоляторы - ДО 41
Выход (левый/правый) уточняйте у менеджера!!
Так же с вентилятором можно установить Регулятор скорости ATV310HU55N4E частотный 5,5 кВт 380 В который преобретается отдельно
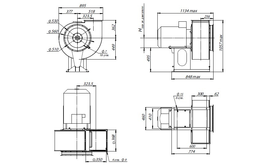
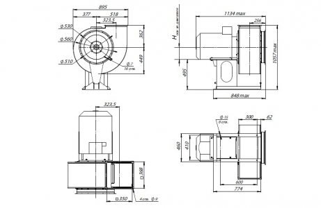
Радиальный вентилятор общего назначения ВЦ 14-46-4,0
Среднего давления
Встроенные термодатчики
Корпус из оцинкованной стали
Направление вращения - правое и левое
Радиальные вентиляторы общего назначения применяются в стационарных системах вентиляции, кондиционирования, воздушного отопления, технологических установках и т.д.
Они предназначены для перемещения невзрывоопасных газовых сред с температурой не выше 80 С для обычного исполнения (до 200 С для теплостойкого исполнения Ж2), содержащих твердые примеси не более 0,1 г/м3, не содержащих липких веществ и волокнистых материалов.
Гарантийный срок эксплуатации - 18 месяцев








